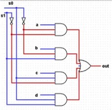
You can learn 4 1 multiplexer using dataflow modeling. 1041 Multiplexer Dataflow Model in VHDL with Testbench All Logic Gates in VHDL with Testbench Half Adder Behavioral Model using If-Else Statement in Verilog with Testbench. The VHDL code for synthesizing the 21 multiplexer is given below in all the three style of modelling. The multiplexer will select either a b c or d based on the select signal sel using the case statement. Read also using and 4 1 multiplexer using dataflow modeling Both types of multiplexer models get synthesized into the same hardware as shown in the image below.
Write and Verilog HDL behavioral description of the BCD-to-excess-3 converter. Create and add the VHDL module with two 2-bit inputs x0 x1 y0 y1 a one bit select input s and two-bit output m0 m1 using dataflow modeling.

On Food Recipes 4 to 1 Multiplexer Design using Logical Expression- 2.
| Topic: Model a two-bit wide 2-to-1 multiplexer using dataflow modeling with net delays of 3 ns. On Food Recipes 4 1 Multiplexer Using Dataflow Modeling |
| Content: Synopsis |
| File Format: DOC |
| File size: 725kb |
| Number of Pages: 5+ pages |
| Publication Date: May 2020 |
| Open On Food Recipes |
Open PlanAhead and create a blank project called lab1_2_3.

11In this post we will take a look at implementing the VHDL code for a multiplexer using dataflow modeling. Create and add the VHDL module with two 2-bit inputs x0 x1 y0 y1 a one bit select input s and two-bit output m0 m1 using dataflow modeling. 30Dataflow modeling is useful when a circuit is combinational. Connect the first 8 to each of the 64 inputs then connect the ninth to the outputs of the first eight. First we will study the logic diagram and the truth table of the multiplexer and then the syntax of the VHDL code. Dataflow Modeling Chapter 7.

Verilog Code For 4 1 Multiplexer Mux All Modeling Styles Create a 2-to-1 multiplexer using dataflow modeling.
| Topic: A 41 multiplexer can be implemented in structural modelling using VHDL by using three 21 multiplexers. Verilog Code For 4 1 Multiplexer Mux All Modeling Styles 4 1 Multiplexer Using Dataflow Modeling |
| Content: Synopsis |
| File Format: PDF |
| File size: 2.6mb |
| Number of Pages: 45+ pages |
| Publication Date: March 2020 |
| Open Verilog Code For 4 1 Multiplexer Mux All Modeling Styles |

Verilog Code For 4 1 Multiplexer Mux All Modeling Styles 23VHDL code for 4x1 Multiplexer using structural style.
| Topic: The two SEL pins determine which of the four inputs will be connected to the output. Verilog Code For 4 1 Multiplexer Mux All Modeling Styles 4 1 Multiplexer Using Dataflow Modeling |
| Content: Explanation |
| File Format: PDF |
| File size: 1.7mb |
| Number of Pages: 15+ pages |
| Publication Date: May 2018 |
| Open Verilog Code For 4 1 Multiplexer Mux All Modeling Styles |

2 4 Decoder Using Logical Gates Verilog Code Verilog Programming Naresh Singh Dobal Logic Coding Gate 1Data Flow Modelling Style.
| Topic: Behavioral Modeling Chapter 8. 2 4 Decoder Using Logical Gates Verilog Code Verilog Programming Naresh Singh Dobal Logic Coding Gate 4 1 Multiplexer Using Dataflow Modeling |
| Content: Solution |
| File Format: Google Sheet |
| File size: 800kb |
| Number of Pages: 7+ pages |
| Publication Date: May 2017 |
| Open 2 4 Decoder Using Logical Gates Verilog Code Verilog Programming Naresh Singh Dobal Logic Coding Gate |

Verilog Code For 4 1 Multiplexer Mux All Modeling Styles S I1.
| Topic: Open Vivado and create a blank project called lab1_2_1. Verilog Code For 4 1 Multiplexer Mux All Modeling Styles 4 1 Multiplexer Using Dataflow Modeling |
| Content: Explanation |
| File Format: Google Sheet |
| File size: 800kb |
| Number of Pages: 55+ pages |
| Publication Date: August 2019 |
| Open Verilog Code For 4 1 Multiplexer Mux All Modeling Styles |

Verilog Code For A Parator Coding Equations Tutorial Y I0.
| Topic: 20The module called mux_4x1_case has four 4-bit data inputs one 2-bit select input and one 4-bit data output. Verilog Code For A Parator Coding Equations Tutorial 4 1 Multiplexer Using Dataflow Modeling |
| Content: Synopsis |
| File Format: Google Sheet |
| File size: 1.6mb |
| Number of Pages: 25+ pages |
| Publication Date: December 2019 |
| Open Verilog Code For A Parator Coding Equations Tutorial |

Verilog Code For 4 1 Multiplexer Mux All Modeling Styles A multiplexer is a simple circuit which connects one of many inputs to an output.
| Topic: To design a 41 MULTIPLEXER in VHDL in Dataflow style of modelling and verify. Verilog Code For 4 1 Multiplexer Mux All Modeling Styles 4 1 Multiplexer Using Dataflow Modeling |
| Content: Learning Guide |
| File Format: DOC |
| File size: 1.9mb |
| Number of Pages: 24+ pages |
| Publication Date: March 2019 |
| Open Verilog Code For 4 1 Multiplexer Mux All Modeling Styles |

Vhdl Part 2 Structural Vhdl Design Of 4 To 1 Mux Architecture arc of bejoy_4x1 is.
| Topic: Vhdl Code For 8 To 1 Multiplexer Using Structural Modelling. Vhdl Part 2 Structural Vhdl Design Of 4 To 1 Mux 4 1 Multiplexer Using Dataflow Modeling |
| Content: Synopsis |
| File Format: DOC |
| File size: 1.6mb |
| Number of Pages: 29+ pages |
| Publication Date: March 2017 |
| Open Vhdl Part 2 Structural Vhdl Design Of 4 To 1 Mux |

Carry Look Ahead Adder Vhdl Code Coding Carry On Tutorial Gate-level Modeling Chapter 6.
| Topic: After that we will write a testbench to verify our code. Carry Look Ahead Adder Vhdl Code Coding Carry On Tutorial 4 1 Multiplexer Using Dataflow Modeling |
| Content: Answer Sheet |
| File Format: DOC |
| File size: 2.6mb |
| Number of Pages: 6+ pages |
| Publication Date: November 2020 |
| Open Carry Look Ahead Adder Vhdl Code Coding Carry On Tutorial |

4 1 Multiplexer Dataflow Model In Vhdl With Testbench Connect the first 8 to each of the 64 inputs then connect the ninth to the outputs of the first eight.
| Topic: 30Dataflow modeling is useful when a circuit is combinational. 4 1 Multiplexer Dataflow Model In Vhdl With Testbench 4 1 Multiplexer Using Dataflow Modeling |
| Content: Learning Guide |
| File Format: DOC |
| File size: 1.7mb |
| Number of Pages: 7+ pages |
| Publication Date: September 2018 |
| Open 4 1 Multiplexer Dataflow Model In Vhdl With Testbench |

Vhdl Code Multiplexer 4 1 Using Data Flow Modelling Style
| Topic: Vhdl Code Multiplexer 4 1 Using Data Flow Modelling Style 4 1 Multiplexer Using Dataflow Modeling |
| Content: Answer Sheet |
| File Format: PDF |
| File size: 2.6mb |
| Number of Pages: 25+ pages |
| Publication Date: September 2018 |
| Open Vhdl Code Multiplexer 4 1 Using Data Flow Modelling Style |

Dataflow Level Verilog Code Of 4 To 1 Multiplexer Mux And Testbench Simulation In Modelsim
| Topic: Dataflow Level Verilog Code Of 4 To 1 Multiplexer Mux And Testbench Simulation In Modelsim 4 1 Multiplexer Using Dataflow Modeling |
| Content: Solution |
| File Format: DOC |
| File size: 3.4mb |
| Number of Pages: 17+ pages |
| Publication Date: July 2018 |
| Open Dataflow Level Verilog Code Of 4 To 1 Multiplexer Mux And Testbench Simulation In Modelsim |
Its definitely easy to get ready for 4 1 multiplexer using dataflow modeling


FOLLOW THE We Are Book Addiction AT TWITTER TO GET THE LATEST INFORMATION OR UPDATE
Follow We Are Book Addiction on Instagram to get the latest information or updates
Follow our Instagram